Product List

FGD Gypsum Production Line

Description

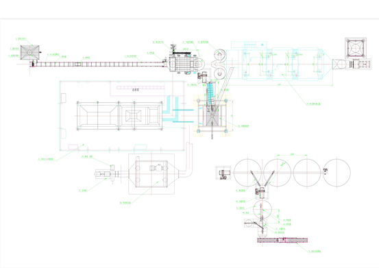
Flue-gas desulphurization (FGD) is a set of technologies used to remove sulfur dioxide (SO2) from exhaust flue gases of fossil-fuel power plants and from the emissions of other sulfur oxide emitting processes. The FGD gypsum production line is composed of hot air furnace, preheating system, calcining system, dust collecting system, modifying system, conveying system, packing system and storage system.

Technology of FGD Gypsum Production Line

The desulfurized gypsum equipment has adopted advanced technology in the whole system. Two-step calcining technology is adopted in FGD gypsum making machine. The first step is pre-drying, and the second step is calcining in the furnace.

Application of Gypsum Powder Production Line

After the FGD is treated with our production line, the FGD gypsum can be used as construction gypsum and agricultural gypsum.

Working Process of FGD Gypsum Production Line

The basic process of making gypsum powder is: FGD raw material —— preheating —— calcining —— dust collecting —— pin mill modifying —— silo—— packing machine

Typical Process of Gypsum Powder Production Line

Capacity of FGD Gypsum Production Line

Capacity/year Capacity/hour FGD Raw Material Consumption Calciner Size
30,000 tons/year 4.2 tons/hour 45,000 tons/year 4.5 × 1.2 × 1.4 m
50,000 tons/year 6.9 tons/hour 75,000 tons/year 4.5 × 1.4 × 1.6 m
60,000 tons/year 8.3 tons/hour 90,000 tons/year 4.5 × 1.6 × 1.8 m
100,000 tons/year 13.88 tons/hour 150,000 tons/year 4.5 × 2.0 × 2.2 m
150,000 tons/year 20.83 tons/hour 225,000 tons/year 4.5 × 2.2 × 2.4 m
200,000 tons/year 27.77 tons/hour 300,000 tons/year 4.5 × 2.4 × 2.6 m

Features of FGD Gypsum Production Line

1. Both the preheating system and the calcining system use the same energy source: hot air furnace. This makes the production line more energy-saving and less investment cost.
2. The pin mill or ball mill is arranged after calcining. It modifies the FGD gypsum, and makes the gypsum powder production line have stable performance.
3. Horizontal dust collecting system improves the filtering result.
4. Hot air is recycled. More energy is saved and the production cost is lower.
5. DCS control system is adopted in the production line. It supplies more automatic control level, much stable running performance, and more reliable quality.

Installation of FGD Gypsum Production Line and Training to Operators

1. Engineers and technicians from our company will be dispatched to the installation site to give instruction in the installation and commissioning work.
2. The buyer shall supply welding workers and fitters to cooperate in the work of installation and commissioning.
3. During the installation and commissioning, the buyer’s operators will be trained in respect of operation, trouble-shooting and maintenance by the technicians and engineers.
Related Products
  • Gypsum Powder Machine
    Gypsum is a soft sulfate mineral composed of calcium sulfate dehydrate, with the chemical formula CaSO4·2H2O. To make gypsum as construction material, calcination process is needed, and part crystal water will be removed from gypsum. The gypsum powder machine is composed of crushing system, grinding system, calcining system, energy supply system, conveying system, packing system and storage system. ...
  • Phosphorus Gypsum Production Line
    Phosphorus gypsum refers to the gypsum formed as a by-product of the production of fertilizer from phosphate rock. Phosphorus gypsum production line is mainly composed of gypsum (CaSO4·2H2O). Phosphogypsum plant is composed of hot air furnace, preheating system, calcining system, dust collecting system, modifying system, conveying system, packing system and storage system. ...